
ROHM recently announced the addition of four new automotive-grade 1200V-rated IGBTs which are ideal for inverters used in electronics compressors and for switching circuits used in positive temperature coefficient (PTC) heaters. The new RGS series represents ROHM’s large lineup of AEC-Q101-compliant IGBTs in both 1200V-rated and 650V-rated variants. This series delivers class-leading low conduction loss that contributes to reducing size and to improving efficiency of applications.
In recent years, an increasing number of automotive makers are offering electric vehicles in response to growing environmental awareness and rising fuel costs. Increasing the number of electric vehicles also advances the need for electric compressors often driven with IGBT’s. Internal combustion engine vehicles have used the heat dissipated from the engines themselves as source to heat the cabin. However, the demand for systems that use circulating warm water with PTC heater as a heat source has been increasing. IGBTs that operate at low frequency are commonly used in inverters and switches for these applications. Especially in electric vehicles, the power consumption of the compressor and heater affects the driving range, and, therefore, improved efficiency is desirable.
Another trend in this market is the increase in battery capacity to improve driving range. Especially in Europe, higher voltage batteries (800V) require power devices featuring low loss and higher withstand voltages, which increases the demand for both 650V-rated and 1200V-rated IGBTs.
In response, ROHM added four new devices of 1200V-rated IGBTs and expanded its lineup of AEC-Q101compliant IGBTs. This class-leading low conduction loss IGBT allows compact and highly-efficient designs. 1200V-rated devices featuring a short-circuit resistance of 10 μsec (Tj=25℃) also ensures the reliability for automotive applications.

Availability: Now
Key Features
Optimized device structure reduces VCE(sat) to 1.70V, which enables approximately 10% to 15% reduction in conduction losses compared to conventional products.
For electric compressors and PTC heaters, conduction loss is a more important feature than switching characteristics due to the low drive frequency.
ROHM developed four new IGBTs and offers a total of 11 devices including 650V devices. This series has both simple IGBT type and built-in freewheel diode type, enabling customers to select the most suitable device.

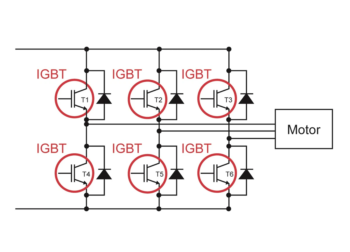
Application Examples


Be the first to know about new products and promotions.